Non-contact Resistance: Unterschied zwischen den Versionen

Aus Herder Physik-ProjektWiki
Zeile 42: Zeile 42:


Der Widerstand :
Der Widerstand :
[[Datei:Spule I eber t.png|mini]]
[[Datei:Spule I eber t.png|links]]
[[Datei:Widerstand U über t.png|mini]]
[[Datei:Widerstand U über t.png|zentriert]]
Beim durchflißen vom Strom verändert sich die Phase von Strom und Spannung nicht.
Beim durchflißen vom Strom verändert sich die Phase von Strom und Spannung nicht , dass bedeutet das die Spannung und der Stromfluss sich gleich verhalten.
 
Dies wird aus den zwei obingen Graphen deutlich.


Die Spule:
Die Spule:
[[Datei:Spule I eber t.png|mini]]
[[Datei:Spule I eber t.png|links|rahmenlos]]
[[Datei:Spule u ueber t.png|mini]]
[[Datei:Spule u ueber t.png|zentriert]]
Beim durchflißen vom Strom verändert sich die Phase von Strom und Spannung.In dem Fall eilt die Spannung dem Strom vor.
Beim durchflißen vom Strom verändert sich die Phase von Strom und Spannung.Die Phase verändert sich so, dass die Spannung dem Strom voreilt . Das sieht man daran, dass die Spannung am Nullpunkt maximal ist und Der Stromfluss nur anfängt sich zu erhöhen.  


der Kondensator:
der Kondensator:
[[Datei:KOndensator I ueber t.png|mini]]
[[Datei:KOndensator I ueber t.png|links]]
[[Datei:Kondensator u uber t.png|mini]]
[[Datei:Kondensator u uber t.png|zentriert]]
Beim durchflißen vom Strom verändert sich die Phase von Strom und Spannung.Hier wissen wir, dass der Stromfluss der Spannung voreilt.
Beim durchflißen vom Strom verändert sich die Phase von Strom und Spannung.Hier sehen wir , dass gegenteil vom verhalten des Kondensators.  


==Theorie==
==Theorie==

Version vom 9. Juni 2024, 00:48 Uhr

Non-contact Resistance

The responses of a LRC circuit driven by an AC source can be changed

by inserting either a non-magnetic metal rod or a ferromagnetic rod into the

inductor coil. How can we obtain the magnetic and electric properties of the

inserted rod from the circuit’s responses?

In der folgenden Arbeit untersuchen wir, wie wir die elektrischen und magnetischen Ei-

genschaften eines Metalls herausfinden können, welches sich in einer Spule in einem RLC-Schaltkreis

befindet. Dabei untersuchen wir ferromagnetische und nichtmagnetische Metalle. Hierbei

interpretieren wir die Aufgabe so, dass wir die Kreisfrequenz des RLC-Schwingkreises im

Experiment verändern können. Anschließend formulieren wir einen Zusammenhang um

die Aufgabe zu erfüllen.

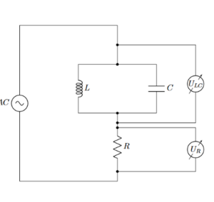
Was ist ein RLC-Schwingkreis?

Abbildung 1: RLC-Schwingkreis

Ein RLC-Schwingkreis ist eine elektrische Schaltung, welche aus einer Spule (L), einem Widerstand (R) und einem Kondensator (C) besteht, die elektromagnetische Schwingungen ausführen kann. In unserem Fall wird der RLC-Schwingkreis von einer Wechselstromquelle (AC) betrieben.

Die Spule speichert elektrische Energie in ihrem Magnetfeld, wenn Strom durch sie fließt. Dieses Magnetfeld wird später wieder zurück in Strom umgewandelt. Dies sorgt für die Schwingungen zusammen mit dem Kondensator. Der Kondensator speichert elektrische Energie in seinem elektrischen Feld, wenn eine Spannung angelegt wird. Danach entlädt er sich über den elektrischen Schwingkreis. Der Widerstand bietet Widerstand gegen den Stromfluss im Schaltkreis.

Wenn wir eine Gleichstromquelle benutzen würden, würde die Schwingung nach einiger Zeit aufhören. Durch den Widerstand würde sich die Schwingungsdauer verkürzen, da ein Teil des Stroms verschwinden würde.

Wir haben die Spule und den Kondensator parallel zueinander geschaltet, und den Widestand in Reihe, um den eigentlichen Schwingkreis von dem Widerstand zu trennen.

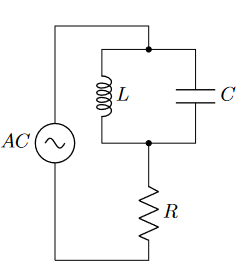
Aufbau

A1.png

Hier sehen wir in dem Bild unseren Aufbau. Dieser besteht aus einem Kondensator, einer Spule und einem Widerstand.der Kondensator und die Spule werden hierbei parallel geschalten und der Widerstan dann in Reihe. Die weißen Fixierungen wurden für das Analog Discovery 2 benutzt. Wir haben dann die Spannung parallel zur Spule und dem kondensator gemessen und einmal parallel zum wiederstand.Dabei achteten wir auf die Resonanzfrequenz, weil diese in zukunft sehr wichtig sein wird. Diese wird in der Theorie später erklärt. Die messungen wurden unter veränderung von der Frequenz durchgefürt und so lange gemacht bis wir die Resonanzfrequenz gefunden hat.


Verhalten der jeweiligen Elemente

In unserem Aufbau haben wir drei Bestandteile(der Widerstand,der Kondensator und die Spule).Jetzt schauen wir uns nun an, wie sich die jeweiligen Bestandteile verhalten wenn Strom durchfließt:

Der Widerstand :

Spule I eber t.png
Widerstand U über t.png

Beim durchflißen vom Strom verändert sich die Phase von Strom und Spannung nicht , dass bedeutet das die Spannung und der Stromfluss sich gleich verhalten.

Dies wird aus den zwei obingen Graphen deutlich.

Die Spule:

Spule I eber t.png
Spule u ueber t.png

Beim durchflißen vom Strom verändert sich die Phase von Strom und Spannung.Die Phase verändert sich so, dass die Spannung dem Strom voreilt . Das sieht man daran, dass die Spannung am Nullpunkt maximal ist und Der Stromfluss nur anfängt sich zu erhöhen.

der Kondensator:

KOndensator I ueber t.png
Kondensator u uber t.png

Beim durchflißen vom Strom verändert sich die Phase von Strom und Spannung.Hier sehen wir , dass gegenteil vom verhalten des Kondensators.

Theorie

In unserem Experiment sind folgende Parameter wichtig für unsere Vorgehensweise:

L - Induktivität der Spule

C - Kapazität des Kondensators

R - Widerstand

A - Querschnittsfläche der Spule

N - Windungsanzahl der Spule

$$μ_0$$ - Magnetische Feldkonstante

$$μ_r$$- Magnetische Permeabilität des Spunlenkerns

$$Ꞷ$$ - Kreisfrequenz des RLC-Schwingkreis

$$f_0$$ - Eigenfrequenz des RLC-Schwingkreis


Abbildung 2: RLC-Schwingkreis; Messung

In unserem theoretischen Ansatz betrachten wir zuerst die Spannung $$U_{LC}$$ über den zueinander parallel geschalteten Spule (L) und einem Kondensator (C), während über dem Widerstand (R) die Spannung $$U_R$$ anliegt. Gemäß den Kirchhoffschen Gesetzen sollte die über der Spule und dem Kondensator abfallende Gesamtspannung $$U_{LC}$$ gleich der Spannung über der Spule $$U_L$$ und dem Kondensator $$U_C$$ sein, während die Spannung über dem Widerstand $$U_R$$ separat betrachtet wird:

$$U_{LC}$$ = $$U_L$$ = $$U_C$$

Die Widerstände in einem Wechselstromkreis, nämlich der Spule (L) und dem Kondensator (C), sind frequenzabhängig und können durch folgende Formeln berechnet werden:

RL = ωL und RC = $$\frac{1}{wC}$$

Dabei ist ω die Kreisfrequenz. Das bedeutet, dass bei einer hohen Frequenz ω der Widerstand des Kondensators klein ist und der von der Spule groß. Dementsprechend bei einer niedrigen Frequenz $$ω$$ andersherum. Nun können wir uns im Extremfall von ganz großen Frequenzen also vorstellen, dass die Spule garnichts mehr durchlässt und damit eine Unterbrechung des Stromkreises darstellt.

Dadurch wäre es nur noch der Kondensator in einem Wechselstromkreis. Hier wissen wir, dass der Stromfluss der Spannung voreilt.

Im Extremfall von ganz kleinen Frequenzen können wir uns vorstellen, dass sich nur noch die Spule in dem Wechselstromkreis befindet. In dem Fall eilt die Spannung dem Strom vor.

Was für eine Frequenz müssten wir nutzen, damit die Widerstände des Kondensators und der Spule gleich sind? Dies tun wir rechnerisch:

\begin{align*} RL &= RC\\ ωL &= \frac{1}{wc}\\ ω^{2}L &= \frac{1}{C}\\ ω^{2} &= \frac{1}{CL}\\ f_0 &= \frac{1}{2π\sqrt{LC}}\\ \end{align*}

Abbildung 3: Wellen nicht in Phase; mV über ms

Hier sehen wir, dass wir die Eigenfrequenz brauchen um denselben Widerstand der beiden Komponenten zu bekommen.

Abbildung 4: Wellen in Phase; mV über ms

Deshalb haben wir für jeden Kern die Eigenfrequenz gesucht um sie miteinander vergleichen zu können. Dies haben wir folgendermaßen gemacht:

Mit Hilfe des Programs WaveForms konnten wir die Spannung, wie in Abbildung 2 gezeigt, messen. Dabei entstanden 2 Wellen, die die Spannung zeigten (Abbildung 4). Daraufhin haben wir so lange die Kreisfrequenz geändert, bis wir den Moment wo beide Wellen in Phase sind gefunden haben(Abbildung 5). Diesen Vorgang haben wir mit jedem Metall gemacht und sind auf folgende Ergebnisse gekommen

Kern der Spule Eigenfrequenz $$f_0$$; Hz
Luft 26.1047
Ferrite 5.6786
Stahl 22.8662
Aluminium 35.6340
Blei 32.9353

Wie oben schon ausgerechnet, gibt es folgende Formel für die Eigenfrequenz:

\begin{align} f_0 &= \frac{1}{2π\sqrt{LC}}\\ \end{align}

Da sich unser Kern in der Spule befindet, interessiert uns das, was sich da verändert. Deshalb schauen wir auf die Induktivität. Dafür stellen wir die Formel folgendermaßen um:

\begin{align} L = \dfrac{1}{4π^2 (f_0)^2 C} \end{align}

So haben wir die Induktivität für alle unsere Kerne herausgefunden:

Kern der Spule Induktivität
Luft 32, 34
Ferrit 683, 47
Stahl 42, 15
Aluminium 17, 35
Blei 20, 32

Elektrische Eigenschaften

Abbildung 5: Wirbelströme in einer Spule

Bei den elektrischen Eigenschaften schauen wir uns vor allem die Wirkung der entstehenden Wirbelströme auf die Spule. Wenn wir uns vorstellen, wir hätten ein Kern, dessen Leitfähigkeit sehr hoch ist würde das bedeuten, dass sehr viele Wirbelströme entstehen. Im Extremfall könnte man sich die Situation wie in Abbildung 6 vorstellen. Da die Wirbelströme entgegen dem eigentlichen Stromfluss wirken (Lenz´sches Gesetz), "verschwindet" ein Teil der Spule.


Dafür nutzen wir die Formel für die Induktivität einer Spule:

\begin{align} L=\dfrac{\mu_0\cdot\mu_r\cdot A\cdot N^2}{l} \end{align}

Nun nehmen wir an, dass alle Parameter außer N konstant sind. N ändert sich mit dem jeweiligen Metall, da die Leitfähigkeit verschieden ist. Dies können wir allerdigs nur für die nicht magnetischen Kerne machen, da $\mu$ bei ihnen ungefähr 1 ist. Dabei ist das $$\mu_r$$ bei ferromagnetischen Metallen größer. Nun führen wir ein \Tilde{N} ein, welches das Verhältnis zwischen der Induktivität vom Kern und der Induktivität von Luft ist:

$$\tilde{N} =\sqrt{ \dfrac{L_{kern}}{L_{luft}}}$$

Abbildung 6: $$\tilde{N}$$ über $$\rho$$
Abbildung 7: Diagramm mit Fit-Funktion

Dabei kriegen wir folgende Ergebnisse:

Kern der Spule $$\tilde{N}$$
Luft 1
Aluminium 256
Blei 235.01


Diese packen wir nun in ein Diagramm wobei wir den spezifischen Widerstand auf der X-Achse und $$\tilde{N}$$ auf der Y-Achse haben (Abbildung 6). Beim Konstruieren eines Graphen durch diese Datenpunkte, erkennen wir, dass es eine Exponential Funktion sein könnte. Wenn der spezifische Widerstand 0 ist, würden unendlich viele Wirbelströme entstehen und $$\tilde{N}$$ wäre 0. Wenn der spezifische Widerstand jedoch unendlich groß wäre, würden keine Wirbelströme entstehen und $$\tilde{N}$$ wäre dementsprechend 1. Indem wir eine Exponential Funktion durch diese Datenpunkte durchgehen lassen, können wir auch das $$\tilde{N}$$ von den ferromagnetischen Kernen erfahren, da wir ja ihren spezifischen Widerstand kennen (Abbildung 7).

Also kriegen wir insgesamt folgende Werte raus:

Kern der Spule $$\tilde{N}$$
Luft 1
Ferrite 256
Stahl 235.01
Aluminium 186.98
Blei 202.88

Magnetische Eigenschaften

Bei den magnetischen machen wir fast dasselbe wie bei den elektrischen Eigenschaften nur, dass wir uns diesmal auf $$\mu_r$$ fokussieren. Wir führen also das sogennante $$\tilde{\mu}$$ ein:

\begin{align} \tilde{\mu_r} = \dfrac{L_{metall}}{L_{luft}} \end{align}

Nun nehmen wir an,dass alle Parameter konstant sind außer $$\mu_r$$. Dabei ignorieren wir das sich veränderne N durch die elektrischen Eigenschaften der Kerne. Wir kommen auf folgende Werte:

Kern der Spule $$\tilde{\mu_r}$$
Luft 1
Ferrite 21, 134
Stahl 2
Aluminium 0.536
Blei 0.628

Aus diesem $$\tilde{\mu_r}$$ können wir nun das $$\mu_r$$ von jedem Kern berechnen. Daraus könnten wir schließen um welches Material es sich in der Spule handelt. Dafür müssen wir folgendes berechnen.

\begin{align} \mu_{kern} = \mu_{Luft} \cdot \tilde{\mu_r} \end{align}

In folgender Tabelle vergleichen wir die Werte, die wir rausbekommen haben, mit den Werten aus dem Internet:

Kern der Spule $$\mu_kern$$ $$\mu_r$$ internet
Luft 1 1
Ferrit 21, 134 4 − 10000
Stahl 2 $$\approx$$ 2
Aluminium 0.536 $$\approx$$ 1
Blei 0.628 $$\approx$$ 1
Abbildung 9: Ferrit - Diagram

Wir können erkennen, dass der Wert von Ferrit relativ klein ist. Dazu haben wir einen Graphen gefunden, welcher diesen Fehler erklärt (Abbildung 9). Dieser zeigt, dass das \mu_r von Ferrit vom Verhältnis der Länge und des Diameters der Spule, abhängt.

In unserem Fall ist das Verhältniss ungefähr 4,6.

Laut dem Diagram müsste unser $$\mu_r$$ ungefähr 20 betragen, was auch der Fall ist.




Fehlerbetrachtung

Folgende Aspekte sorgen in unserem Experiment für Fehler in Messungen und Ergebnissen:

1.Kerne der Spule

Die Kerne, die wir genutzt haben könnten Unreinheiten enthalten, was für eine veränderte Leitfähigkeit oder einen veränderten Magnetismus sorgen könnte.

Die Kerne hatten außerdem eine leicht unterschiedliche Länge, was dementsprechend zu Verfälschungen führt.

2.Messgeräte

Der Analog Discovery 2, welchen wir für die Messungen der Spannung genutzt haben hat eine Fehlerquote von 1.5%.

3.Messfehler mithilfe von der Studentschen t-Verteilung berechnen

Dabei benutzen wir die Stichprobenvarianz der t-Verteilung, die lautet:

\begin{align*} S_{\overline{X}} &= \sqrt{\frac{\sum\limits_{n=0}^N (X_{i}-\overline{X})^2}{N \cdot(N-1)}}\\ \end{align*} Diese Formel bekommen wir indem wir jedes Ergebnis so Definieren können: \begin{align} X = \overline{X} \pm \delta X \end{align} und jeden Fehler \begin{align} \delta X &= t \cdot S_{\overline{x}} \end{align} Die verschiedenen Variablen werden so definiert: \begin{align*} X_{i} &= \text{separate Messungen}\\ N &= \text{Anzahl der Messungen}\\ \overline{X} &= \text{Mittelwert der Messungen}\\ t &= \text{Student's t-koefficient}\\\\ \end{align*} Um denn Studentschen t-Verteilung Koefficient zu ermitteln schauen wir in eine Tabelle wo für jede Wahrscheinlichkeit und Anzahl von Messungen ein Koefficient steht. Damit wurden alle Fehler in dieser Präsentation berechnet.

Dankessagung

An dieser Stelle wollen wir uns bei allen Personen bedanken, die auf unterschiedliche Art und Weise zum Gelingen dieser Arbeit beigetragen haben.

Besonderen Dank an Dr. Falk Ebert, der dieses Projekt betreut und teilweise begutachtet hat, für Vorschläge zum Mess- und Experimentieraufbau, Hinweise zur Theorie, und konstruktive Kritik.

Ebenfalls bedanken wir uns bei Antonia Macha, die als Betreuerin im PhyZ- Kurs uns besonders bei der Nutzung von Overleaf geholfen hat und auch immer für uns da war, egal ob bei fehlender Motivation oder auch beim Misslingen von Experimenten.

Außerdem bedanken wir uns bei Fabian Schmitt, der uns mit vielen Tipps zu den Experimenten und konstruktiver Kritik mit auf die Wettbewerbe vorbereitet hat.

Dazu bedanken wir uns bei Mikhail Soldatov für die Bereitstellung der Materialien und Messgeräte.

Abschließend wollen wir uns bei unseren Mitschülern im PhyZ-Kurs bedanken, die alle auf ihre eigene Art und Weise zum Gelingen dieses Projektes beigetragen haben, sei es durch Fragen, Kritik oder auch einfach durch mentale Unterstützung.

Fazit

Insgesamt können wir also sagen, dass die Metalle egal ob ferromagnetisch oder nichtmagnetisch, eine Wirkung auf den RLC-Schwingkreis haben. Dabei spielt bei den ferromagnetischen eher der Magnetismus eine große Rolle, wobei bei nicht magnetischen Metallen die Leitfähigkeit das Wichtigste ist. Wir können anhand der Messwerte die Metalle nach ihrer Leitfähigkeit und ihrem Magnetismus ordnen. Allerdings können wir meistens nicht genau bestimmen, welches Material sich in der Spule befindet.

Erfolge

Jugend forscht Regionalwettbewerb 2. Platz und ein Sonder-Prei. Insgesamt 120€.

GYPT 2. Runde

Quellen

https://de.wikipedia.org/wiki/Schwingkreis